Thông tin sản phẩm
Quạt thông gió lọc bụi mịn PM2.5
Luồng không khí trong lành được cung cấp liên tục vào trong nhà để duy trì sự lưu thông không khí. Lọc bụi mịn PM2.5 từ không khí bên ngoài để loại bỏ hiệu quả vi khuẩn trong không khí, mang đến cho bạn cơ hội tận hưởng không khí trong lành ngay cả ở những thành phố đông đúc nhất.
Lọc bụi mịn PM2.5 hiệu quả cao, giảm thiểu dị ứng Các hạt bụi PM2.5 lơ lửng trong không khí ảnh hưởng đến sức khỏe của bạn nhiều hơn bất kỳ chất ô nhiễm nào khác. Với bộ lọc tiên tiến, hiệu quả lọc PM2.5 đạt 90%. Chỉ mang không khí trong lành vào phòng, đảm bảo chất lượng không khí tốt nhất.

Quạt cấp khí tươi MR.VU
◆ Thiết kế động cơ bảo vệ nhiệt, bền bỉ và ổn định
◆ Tích hợp bộ lọc PM2.5 tiên tiến và bộ lọc sơ cấp Hiệu quả lọc PM2.5 một lần đạt 90%, lọc sạch PM2.5 toàn diện để làm sạch không khí trong nhà. Bộ lọc sơ cấp có thể giặt, kháng khuẩn và tuổi thọ cao.
◆ Dàn lạnh và dàn nóng, bạn có thể lựa chọn giữa hai mẫu Chọn mẫu dàn lạnh hoặc dàn nóng tùy theo môi trường.
Bảo vệ sức khỏe đường hô hấp

Hiệu quả lọc bụi PM2.5 đạt 90% chỉ trong một lần lọc.
◆ Bộ lọc sơ cấp Kháng khuẩn, có thể giặt và độ bền cao. (Khuyến nghị vệ sinh 3 tháng một lần.)
◆ Bộ lọc than hoạt tính (Phụ kiện tùy chọn) Khử mùi hiệu quả. (Khuyến nghị thay thế 2 đến 4 lần một năm)
◆ Bộ lọc nâng cao PM2.5 Hiệu quả lọc một lần đạt 90%. (Khuyến nghị thay thế 2 đến 4 lần một năm, thay bộ lọc theo điều kiện môi trường thực tế)

Thiết kế động cơ bảo vệ nhiệt Bền bỉ và ổn định Khi động cơ hoạt động bất thường và nhiệt độ tăng lên trên 120 độ, động cơ sẽ tự động tắt và sẽ hoạt động trở lại khi nhiệt độ xuống dưới 67 độ.

Thân máy bay được lắp đặt ngoài trời, sử dụng ống dẫn khí. Phần thân chính được làm bằng thép không gỉ + sơn trắng, có khả năng chống gió, chống mưa và chống gỉ.
Đường cong áp suất-thể tích không khí

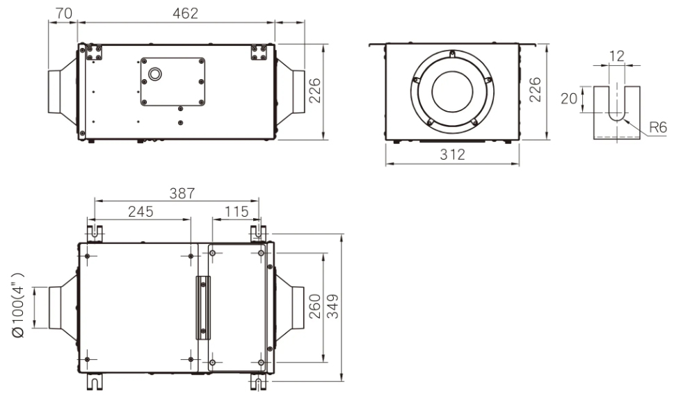
Kích thước (mm)

Phụ kiện đi kèm:

Bộ lọc PA01 PM2.5 tiên tiến
(Phụ kiện tiêu chuẩn)

Bộ lọc than hoạt tính CB01
(Phụ kiện tùy chọn)

Công tắc AW-4 2 nút 2 chiều
(Phụ kiện tùy chọn)
Thông số kỹ thuật
| Phương pháp cài đặt | Vật liệu | Voltage | Speed | Lưu lượng không khí (m³/h) | Công suất (W) | Current (A) | Áp suất tĩnh tối đa (mmAq) | Độ ồn (dBA) | Starting Current (A) | Kích thước ống dẫn (mm) | Cân nặng (kg) |
| Được lắp đặt trong nhà | Tấm thép mạ kẽm + sơn trắng | Ø100 (4″) | 9.3 | ||||||||
| 220V~ 60Hz | High | 200 | 41 | 0.19 | 24 | 43 | 0.24 | ||||
| Low | 150 | 38 | 0.17 | 20 | 39 | 0.21 |

Quạt cấp khí tươi có màng lọc – Hình ảnh lắp đặt
CÂU HỎI THƯỜNG GẶP?
Q1: Kích thước lắp đặt của dòng VC là bao nhiêu?
A1: Kích thước lắp đặt của dòng VC là 663 × 219,5 (mm).Bản vẽ định vị lắp đặt được thể hiện bên dưới
Q2: : Có sơ đồ ví dụ cho việc lắp đặt ty ren không?
A2: Việc lắp đặt ty ren cần được bên nhà cung cấp Mr.Vũ hoàn thành trước.
Trình tự lắp đặt:
Khoan lỗ → lắp nở sắt → vặn tyren..
Nở sắt nên dùng loại pi8–10 (chiều dài 60–80 mm)
Ty ren phải phù hợp với nở sắt (ví dụ: Nở sắt Pi8 thì dùng tyren Pi8, tương tự cho các cỡ khác). Chiều dài tyren cần cắt theo độ dài yêu cầu.
Mũi khoan phải phù hợp với đường kính lỗ của nở sắt. Ví dụ: đường kính ngoài của nở sắt Pi8 thường là 10 hoặc 12 mm, vì vậy lỗ khoan cũng cần khoan 10 hoặc 12 mm tương ứng. Nở sắt phải vừa khít vào lỗ khoan
Dưới đây là sơ đồ ví dụ lắp đặt ty ren (cho treo máy và treo đường ống).

Q3 Có ví dụ về khoan tường và lắp đặt đường ống không?
A3:
- Trước tiên, xác định vị trí khoan lỗ trên tường. Lỗ khoan nên nằm vị trí ngang vừa với máy.
- Sau khi xác định vị trí lỗ lắp, có thể tiến hành lắp đặt máy.
- Việc lắp đặt đường ống thường được thực hiện sau khi máy đã lắp xong.
- Đoạn ống kết nối trực tiếp với máy nên sử dụng ống mềm.
- Các đoạn còn lại có thể dùng ống cứng (xem sơ đồ ví dụ lắp đặt đường ống bên dưới).
(Lưu ý: Nếu điều kiện công trường cho phép, hãy ưu tiên vị trí đặt thiết bị. Nếu không gian lắp bị hạn chế bởi, hãy ưu tiên sự thuận tiện cho việc đi đường ống.)

↑ ↑ Lắp đặt đường ống – sử dụng ống mềm cho đoạn kết nối với máy.

hình ảnh lắp đặt quạt cấp khí tươi lọc không khí

Hình ảnh lắp đặt cho căn hộ – Quạt cấp khí tươi lọc không khí PM2.5
Quạt thông gió lọc không khí PM2.5
- Lọc bụi bẩn: Loại bỏ bụi mịn PM2.5, bụi thô.
- Loại bỏ vi khuẩn, nấm mốc: Giúp không khí sạch hơn.
- Cấp khí tươi: Đưa không khí trong lành từ ngoài vào, giảm ngột ngạt, ẩm mốc.
- Khử mùi: Giúp không gian thoáng đãng, dễ chịu hơn.
Thông số Quạt thông gió lọc không khí PM2.5
| Phương pháp cài đặt | Được lắp đặt trong nhà |
| Vật liệu | Tấm thép mạ kẽm + sơn trắng |
| Voltage | 220V~ 60Hz |
| Lưu lượng không khí (m³/h) | 200 |
| Công suất (W) | 41w |
| Áp suất tĩnh tối đa (mmAq) | 24 |
| Độ ồn (dBA) | 43 |
| Kích thước ống dẫn (mm) | |
| Kích thước ống dẫn (mm) | Ø100 (4″) |
| Cân nặng | 9.3kg |









